This column is moderated by Béla Lipták, automation and safety consultant and editor of the Instrument and Automation Engineers' Handbook (IAEH). If you have an automation-related question for this column, write to [email protected].
Swastik Bhandari
[email protected]
A: There is nothing fuzzy about boiling water. You should use a three-element feedwater control system on large boilers to arrest disturbances and to rapidly react to load changes.
The fast response of the flow loop handles pressure disturbances that would affect feedwater flow, while drum vapor-space pressure control compensates for density changes.
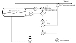
As shown in Figure 1, in a three-element feedwater system, the water flow loop is closed. This way, pressure disturbances that would affect the feedwater flow are handled immediately by the fast response of the flow loop. In addition to the three primary control variables (three elements)—drum level, steam flow, and feedwater flow—drum vapor-space pressure can also be utilized to compensate for density changes. The pressure is passed through a calculator (DY in Figure 1) that calculates a multiplier to apply to the raw level signal. The multiplier is based on the density change vs. pressure for saturated steam.In making gain adjustments on a three-element feedwater system, the first step is to determine the relative gains between level and flow loops. By observing a change in boiler load, one can note the particular boiler "swell" characteristics of the particular unit. Maximum system stability is obtained when the negative effect of swell equals the positive effect of flow. For example, if a 20% of maximum steam flow change produces a 20% change in the steam flow transmitter output, and this flow change also produces a 3 in. swell, which is 10% of the 30 in. range transmitter output, then the gain of the level loop should be double the gain of the flow loop.
Feedforward can further improve the system by maintaining the steam-water balance, thereby reducing the influence of shrink-swell and inverse-response. This loop keeps the feedwater and steam flows equal as long as the level is constant and on setpoint. Flow measurement errors and the withdrawal of perhaps 2.5% of the water as "blowdown" (which is not converted to steam) will prevent the two flow signals from being identical. Therefore, the level controller must readjust the setpoint of the flow-difference controller to strike a steady-state balance.
It is also desirable to precondition the level controller, so the control system will work during start-up or at other times when the feedwater is controlled manually. This can be achieved by external feedback from a flow-difference measurement, from which feedback is applied to the level controller. Otherwise, an increase in steam or blowdown flow will immediately increase the feedwater flow, without waiting for the level to change. If this feedforward configuration is used, the controller mode settings are less critical and shrink, swell or inverse-response effects are further reduced.
Béla Lipták
[email protected]
A: Using model predictive control (MPC) for boiler drum level control is not advised. I'm not an expert on boiler control, but there are many books devoted to this topic, and you should be able to get some additional help by searching for "advanced boiler control" on the Internet. MPC is complex and is usually used when there are many interacting control loops, often with significant dead times involved. Although a modern DCS can implement small MPC loops, off-line identification is often required to build the dynamic model.
Drum level is only one control loop of a typical boiler. Feed-forward control is often used for boilers where there is a wide range of varying demand and where the feedwater is returned at varying temperatures, as from steam condensate. Feed-forward control is designed to remove the effects of load variables as they make their way to the boiler to remove these loads from the feedback control loops around the boiler. Most process control textbooks use boiler controls to illustrate the use of feed-forward control. There is also an excellent brief article on three-element boiler feedwater control at www.controlguru.com/wp/p44.html.
Dick Caro
[email protected]
A: Back in the 1980s, in my C&I Training room in a power plant in Hong Kong, I had a control simulator that simulated shrink-and-swell effects using hardwired B&W Series 4 control modules, the same equipment being used in the plant (4 x 350 MW power plant) at the time. The trainees used the fastest recorder available at the time to trace the effect of drum level-based, three-element control as the load (Boiler Master) changes, and produced hard copies of the recorded signals (drum level, feed flow, steam flow and steam pressure) and the various tuning parameters of the PID controllers as the load changed.
They were aiming at the fastest recovery and minimum area under the curve of the drum level signal. The tuning parameters were used to compare with those in the real plant under supervision by the Control Parish Engineers in the marshalling area. The results were, of course, different because in the real plant there were other major parameters to be considered and closely monitored by Operations. These included (but were not limited to) the drum skin temperature and its rate of change (to be strictly followed according to design based on size of the unit and pressure ratings—this being 1.56 °C/minute at all times, particularly at start up, when only single element was used).
In the 1990s, in another power plant in Canada, I remember using principal component analysis in conjunction with other various tools to identify the key parameters (no greater than six out of hundreds in boiler controls) for steam pressure (and flow). Yes, I agree with you that PID, model-based, fuzzy logic, etc. are just tools for computation. Finding the right primary parameters for control and experience are necessary in pursuing the answer to this minimum-phase control problem for boilers of specific sizes. I'm not sure if Matlab has all its problems solved.
Gerald Liu
[email protected]
A: When I read papers on advanced controls, one of the first things I check is if it was actually implemented in the real world or simply simulated on a computer. Many "control advances" work extraordinarily well in lab simulations, but seem to wilt and stumble when faced with the messiness of actual plant operations. As to your question, I can say that after 30 years of plant experience in a variety of industries including chemical, pulp and paper, mining and others, I have yet to see a boiler level running on fuzzy logic. That is not say it doesn't exist, but it certainly isn't commonplace.
Three-element control isn't new or sexy, but it works reliably and robustly in a huge number of boilers. It is relatively easy to implement and easy to tune, and operators understand it. No doubt there are special applications (very small boiler drums, very high pressures, wildly gyrating steam and heat loads, etc.) that may warrant something more involved than a standard three-element control, but in the vast majority of applications, it works very well and is infinitely easier to set up.
If a boiler is exposed to outside disturbances (such as wild swings in steam load on the header), you will find that insulating the boiler using back-pressure controllers and/or automatic vents on the header will work far better than expending a great deal of effort on implementing complicated level controls that probably won't handle the upset anyway.
P. Hunter Vegas
[email protected]
About the Author
Béla Lipták
Columnist and Control Consultant
Béla Lipták is an automation and safety consultant and editor of the Instrument and Automation Engineers’ Handbook (IAEH).

Leaders relevant to this article:


