Spirax Sarco

Products

CG1411-SPiraxSarco-SteamTrap
Spirax Sarco's new wireless steam trap monitoring system, the STAPS Wireless, is designed to deliver accurate wireless monitoring and reporting of steam trap performance around...
Nov. 3, 2014
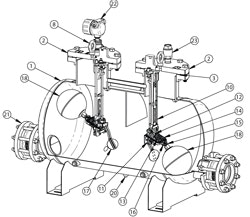
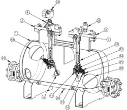
CG1208-spirax-ptf4
Spirax Sarco's PTF4 Pivotrol Pump is a high-capacity pressure powered condensate pump
Aug. 29, 2012
CG1204-Prod-SpiraxSarco
The VLM10 combines an inline vortex meter, a built in flow computer and an integral temperature sensor
April 16, 2012
Spirax Sarco's new range of lift check valves, are designed for EN and ASME standards which can be used for a wide range of applications.
Sept. 8, 2011
The UTM10 has the ability to measure liquids with small amounts of suspended solids or aeration in line sizes from ½” to 80 inches. It provides accurate and repeatable flow measurement...
Feb. 17, 2011