Pumping Station Optimization, Part 3
In this portion of this series, I will concentrate on the optimization of pumping stations and liquid distribution systems, which can save 25% or more energy. As was shown in the last segment, using multiple constant-speed pumps of different sizes is more energy-efficient than meeting the variable load with a single pump. It was also shown that this saving further increases if one of the multiple pumps is variable-speed (See Control, Jan. '10, Fig. 4, p. 22, or www.controlglobal.com/articles/2010/Optimization1001.html). Now I will show additional means of increasing energy efficiency, and describe methods to calculate the projected savings prior to their implementation.
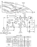
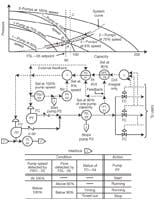
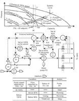
In this control system, as the pump discharge pressure controller (PC-01) raises the discharge pressure (PT-01), all valves will close somewhat, because they all will have more pressure drop available to them. Inversely, if PC-01 reduces their inlet pressure, they will open somewhat. Therefore, if the controls are configured so that the valve position controller (VPC-02) measurement is always the opening of the most open valve, and that valve is kept nearly open (say at 90%), then all other user valves will also open up. As the pump station's discharge pressure is minimized, this will minimize all the valve pressure drops in the plant, and, thereby, will also minimize the energy consumption of the pumping station.
In the cascade loop shown in Figure 1, VPC is the master and PC is the slave. Therefore, as VPC-02 lowers the setpoint of PC-01 (and thereby opens all user valves), it not only minimizes the valve pressure drops, but also can minimize valve cycling and, therefore, maintenance. In order to do that, the pressure controller (PC-01) setpoint must change slowly and in a stable manner. Consequently, the valve position controller (VPC-02) is provided with integral action only, and its integral time is set to be about 10 times that of PC-01.
In addition, reset windup must also be prevented. Such windup occurs when a controller output is unable to reach its control valve. Therefore, when the PC-01 controller is switched from cascade to local setpoint (and thereby the output of the VPC-02 is blocked), the cascade master's measurement must also be switched from detecting the valve position to the output signal of the discharge pressure transmitter as its external feedback signal. Similarly, if pressure controller is switched to manual, its external reset should be the pump speed.
If the pump station consists of two variable-speed pumps and only one pump is in operation, the second pump is started when the output signal from PC-01 approaches 100%, meaning that the single pump is approaching its full speed. At that point, PSH-03 is actuated, starting the second pump. When both pumps are in operation, and the flow drops to 90% of the capacity of a single pump, the second pump is stopped if this condition lasts longer than the setting of the time delay (TD-04). The time delay or a gap switch is used to make sure that the second pump is not cycled on and off too often.
It is also necessary to protect the system from discharge pressure spikes when the second pump is started. This strategy is illustrated in the upper part of Figure 1 and serves to only slowly change the pump speed when the second pump is started, so that the starting doesn't upset the discharge pressure. If this was not done, the discharge pressure of the pump station would jump from point A to C.
In order to eliminate this temporary pressure surge, a signal generator (PY-03) is introduced. This signal generator, upon actuation by interlock 1, drops the output being sent to the low-signal selector located on the output of PC-01 to a value, X%, which is lower than the output of PC-01. Therefore, the low-signal selector will select it. The value of X is set to match the speed required to generate the same flow by two pumps as the flow that was previously generated by a single pump (Point A). After the start of the second pump, the value X is slowly increased until it rises over the output of PC-01, which at that point takes over control. Simultaneously, the external reset is also switched back from pump speed to discharge pressure.
This same strategy can be used with any number of pumps, except that for each new pump another PY and FSL has to be added.
You should monitor the efficiency of all the pumps continuously. This will make it possible to meet any load with the most efficient pump combination. In addition, the continuous monitoring of pump efficiencies also serves maintenance scheduling by automatically requesting it whenever the efficiency drops. As we will see in the next section, on average, about 25% of the pumping energy can be saved by these strategies, which in large pumping stations (wastewater or agricultural water supply applications) can mean significant dollars.
Calculating the Savings
Figure 2. Savings obtained by variable-speed pumping vs. valve throttling.
To determine the savings resulting from variable-speed pumping, one has to plot the flow vs. energy consumption relationship for both the constant and the variable-speed operation (Figure 2). The difference between the two curves is the amount of energy that is unnecessarily used by the control valves during constant-speed pumping; that is, the amount of energy that can be saved by optimization.Once the savings curve has been determined (Figure 2), the next step is to estimate the average pumping load. If the savings curve is as shown in Figure 2, and if the average flow is 80%, then the electricity saving will be 30%. For a more accurate determination, a chart, such as the one shown in Table 1 is prepared. Using this table, and knowing the total horsepower of the pumps plus the cost of electricity, makes it possible to calculate the both the yearly savings and the payback period if the pump station is an existing one and its optimization is being considered.
In large pumping stations, model- predictive optimization can also be used. The details of this strategy are described in Chapter 8.35 of Volume 2, of the Instrument Engineers' Handbook, 4th edition. These models are so configured that they automatically identify and implement the optimum pump combinations to meet any load, while consuming the least amount of power. Each implementation needs to be configured with specific pump curves and tuned for the specific application. However, this effort is insignificant compared to the initial cost of developing the program shell.
In the not too distant future, all unit operations, not just pumping, will be controlled by unit-operations controllers in which the setpoints will be efficiency and operating costs instead of flow, pressure etc. These unit operations controllers already will be supplied with the software necessary to optimize the unit operations, such as pumping stations, so the user will need only to insert the system curve and the characteristics of each pump to complete the system. Such unit operation software packages will also be used for reactors, distillation, compressors, boilers or renewable energy systems and will also include the logic, optimization, self-diagnostics, auto-start/stop and other features to fulfill the needs of the process.
It is high time we stopped controlling flows, pressures and temperatures and started controlling and optimizing unit operations, not only because we must reduce waste in this century, but also because it will bring recognition to our profession, which is the only field of engineering that can optimize the operation of the total process.





