How Automation Can Prevent Nuclear Accidents-Part 3
In this article I will discuss how outdated and/or unreliable instruments caused the Japanese operators of the Fukushima Dai-ichi nuclear reactor to operate blindly because they did not know the water levels, water/steam ratios, temperatures and the degrees of meltdown in their reactors or in their spent fuel rod storage ponds. In the case of the Fukushima accident, this resulted in the operators' guessing at the level of cooling water, and because they guessed wrong, they drastically delayed the start of cooling by the few emergency means at their disposal, such as by using helicopters, fire trucks and sea water. In this article I will describe the sensors that American plants should install in order to provide reliable information during both normal and emergency operation of boiling water reactor (BWR) plants.
The BWR reactor's core is surrounded by a shroud. The cooling water enters into this "jacket-like" space between the shroud and the wall of the reactor (Figure 1). The water travels down the outside of the core and then rises up inside it. As it rises, the fuel rods heat it until it starts to boil. As the steam bubbles form, the water "swells" (its steam-to-water ratio rises). The goal of the control system is to keep the fuel rods always covered in order to protect against their overheating and melting.
Figure 1: In conventional BWR reactors, the water level is measured only between the shroud and the reactor wall. This measurement does not reflect the water level inside the core when coolant is lost.
In most of today's BWR reactors, the levels and the steam/water ratios within the core are not measured. The water level outside the shroud is measured, but does not reflect the level inside once the water level drops below the suction of the jet disperser. Consequently, this level measurement is meaningful only during normal operation, and is useless during emergencies caused by loss of cooling.
The level outside the shroud is usually measured over two ranges, a narrow (LT-N) one and a wide (LT-W) one. The narrow span LT-N is more sensitive and is a better indicator of the surface level while LT-W detects the total hydrostatic head in the reactor (the collapsed level). They both usually are the d/p types, provided with condensate-filled wet legs. The condensate pots are uninsulated, and drain back into the reactor through a sloped connecting pipe. In old plants, these transmitters (or d/p indicators) are often located in the control room through long, water-filled lead lines connecting them to the reactor. This is a terrible idea because these long lead lines often cause gas blockage, leaks or oscillation, but 40 years ago they were in use by some.
These level transmitters are inverse-acting (the reference leg is the high-pressure side), and therefore, a maximum level produces a zero-differential reading, while a zero level causes a maximum output signal. The measurement also assumes that the wet leg is full with condensate at ambient temperature. During an accident, neither of these assumptions is guaranteed. In fact, they are likely to be wrong, because once the level in the reactor drops below the low-pressure tap of LT-N, the reading is meaningless (zero).
[pullquote]Also, if the water in the reactor is boiling, these d/p cells detect the hydrostatic head (mass of water), not the level. The more bubbles form (swelling), the lower the density. Therefore, the lower level is reported by the d/p cell. Inversely, as the rate of steam formation drops (shrink phase), the density increases, and the level reading rises. In other words, when the surface of the boiling water rises (swell condition) the level reading drops, and when the boiling rate and, therefore, the level drops, the measurement rises.
The level shrinks or swells whenever the loading of the reactor changes because during that time, the rate of water entering is different from the rate of steam leaving. Swelling occurs when the steam pressure drops (the steaming rate increases), and shrinking occurs when the steaming rate is reduced (the steam pressure rises), and bubbles collapse. Therefore, the d/p cell outputs can be converted into indications of the surface level only if the density is separately determined.
At Fukushima and at many American plants, this correction was/is inaccurate or nonexistent. Therefore, these level measurements are unreliable or useless. Because of this, the level control loop cannot be closed (cannot be placed in automatic) and is often under manual control, which is unacceptable.
Detecting Level Correctly Outside the Core
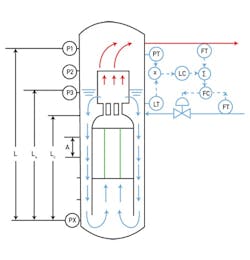
In order to accurately measure the level outside the core, several pressure detectors (P1 to PX on the left of Figure 2), should be installed at equal distance (A) from each other. The smaller the distance A is, the higher will be the precision of measurement. If we define ΔP as the pressure difference between any two adjacent sensors, when ΔP is zero, there is no water at that level—this is the case between P2 and P3 in Figure 2—and if ΔP equals A(SG), that means that there is no steam at that elevation. (SG is the specific gravity at the actual temperature.) By this method, both the level of the boiling surface (Ls) and the pressure at that elevation (Ps) can be determined. (The resulting Ls reading is the same as the one detected by LT-N in Figure 1.)
Figure 2: The red arrows show the steam, the blue arrows the water flow. Readings of P1, P2, etc. to PX (on the left) measure the level and steam/water ratio outside the core.
The various combinations of these measurements can be used to obtain the following information:
- Steam/water ratio (S/W) at any elevation is S/W = ΔP/A(SG).
- Collapsed total water level is Lc = ΔPs/(PX – P1).
- Total S/W in the whole reactor S/Wr = (PX – P1)/L(SG).
- Steam/water ratio of the boiling column of water from up to the elevation Ls is S/Ws = (PX – Ps)/Ls(SG).
I would provide both the d/p cells (Figure 1) and the pressure detectors (Figure 2) with battery backup and with wireless output signal backup, so that if either the regular power supply fails, or the regular output signal wires are damaged, the level information will still be available and can be read not only in the control room, but anywhere.
At Fukushima and in many American BWR reactors, level inside the core was/is not measured at all. During emergencies when the regular water supply is lost, the in-core level is not the same as the ex-core reading, yet it is the in-core measurements that are critical in deciding when emergency cooling is needed.
The solution to this unacceptable situation is not only to measure the in-core level, but when the fuel rods are about to be uncovered, automatically start emergency cooling by opening the gravity flow from elevated open or from pressurized closed tanks (or from helicopters, fire engines, etc.).
As to the method of detecting the in-core water level, I would use probes designed to measure the temperature at the different elevations in the core (Figure 2). The temperatures at the different elevations reflect the steam/water ratio, because water is a better heat conductor than steam, and therefore, the probe temperature will rise as the proportion of steam bubbles rise.




