Part 1 describes the reasons we ground and specifications for ground resistance. Here, I discuss why it’s necessary to connect instrumentation to the power ground system, and the theory and practice of shielding.
That “dirty” power ground
In the past, there was a common refrain by manufacturers and some engineers, and it’s even heard sometimes today, that they want a “clean” or “quiet” ground for their equipment. When asked to quantify what such a ground is, they generally talk about a ground not connected to that dirty, nasty power ground. It seems they expect that noise or problems will somehow arise out of the ground and strike down their equipment.
This is basically a question of whether to have a separate, isolated (hence somehow clean), instrument ground, or to have it a part of the overall facility grounding grid.
A perfect ground would never vary in potential—zero potential anywhere (potential because it is single-ended, unlike voltage, which is double-ended, or a potential in reference to another potential). This theoretical ground would also have zero impedance—current flowing to ground would encounter no resistance, and anything connected would always be at the same ground potential.
Unfortunately, we are stuck with the Earth, which is everywhere that our instrument systems are, and our instruments can be significantly geographically distributed. This earth can be defined at any single point as the zero reference potential point of out instrument system, but it will be different anywhere else. The so-called clean ground, isolated from the rest of the grounds (but subject to many of the underground events that the other grounds are subject to) can the very source of the problems we wished to avoid.
Under quiescent conditions, such a ground may have less variation in ground potential, but under non-quiescent conditions, it can be subject to considerable variation relative to other ground systems. One should remember that ground is not a sink for noise, but can be a path for it if the ground completes a noise circuit. Conducted noise flows in complete circuits, and Ohm's Law (impedance version) applies to conducted noise.
A ground is a ground, or is it?
The essential trouble with grounds is that they are all different. When I was young engineer, I attended a grounding course put on by Longview Power and Light. As part of the course, there was a field demonstration where we were shown two ground rods about 50 feet part. A wire was run between the two ground wires, and a clamp-on ammeter was clamped on the wire. Low and behold, a current was measured between the two ground rods. The fact that a current was flowing indicated a potential differential between the two grounds—the grounds were not the same. This small epiphany provided the spark for a lifelong interest in grounding.
So why are the grounds different? The first difference might be due to different resistivity and, in some cases, different impedances in the earth. This can be due to different soils, non-conductors like rocks and voids, moisture content, salt content, ground water, underground artifacts (like pipelines), etc. It can also be due to the weather and seasonal changes. The current drought is affecting our grounding systems by drying out the soil, shrinking soil away from ground rods, and reducing the level of ground water.
Courtesy of:
GeoModel, Inc.
750 Miller Dr., SE, Suite B-3
Lessburg, VA 20175
www.geomodel.com/home
The resistivity of the earth is three-dimensional—it has length and width as well as depth. Figure 1 show a resistance mapping of the earth from a side view. From this one might infer why grounds can be different.
The second reason a ground can be different is that there are currents flowing in the earth, some man-made, others caused by nature. Man-made currents can be transient in nature, like ground fault current returning to its source through the ground, or continuous, like the currents induced in the ground by our high-voltage power distribution systems, electric trains, stray currents, or circulating ground currents caused by poor grounding.
Nature is also a big cause of ground currents flowing in the earth. An obvious source is lightning, which causes a large, rapid charge redistribution that results in currents flowing and changing ground potential.
A good analogy of a lightning strike to earth is dropping a large rock in a pond and watching the ripples spread out. This is illustrated in Figure 2. By several estimates, there are about 2,000 thunderstorms worldwide providing 100 flashes per second (not all of these are ground strikes).
If we take the ocean analogy a bit further, we can understand why we want to connect all of our grounding systems together to create (as much as we can) an equipotential grounding plane for our instrumentation systems, electrical systems, communication systems and computer systems. IEEE std. 1100 [11] has some good discussion on the equipotential plane.
Visualize two ships separated by several waves or troughs, but connected to each other by electrical cables (power, signal, etc.). We will use the analogy that the water height above a theoretical reference point represents ground potential. So, the ships, relative to each other, could at any time be on a wave or trough of the same height (same potential), on a wave or trough of different heights (potential difference), or one ship could be on a wave while the other in a trough (larger potential difference). Since the electrical cables at one ship are at one potential (wave/trough height), while at the other ship there might be a different potential (wave/trough height), there might be a large potential difference between the electrical cables and the local ground. If the two ships are at the same wave height (or equipotential plane), the potential would be zero.
This brings us to the good reason to interconnect power and instrument grounds. What we want is for our instrument systems to ride up and down the varying ground potential with the rest of the facility, like a ship riding up and down on waves. We want to create an equipotential grounding plane that rides up and down our ground potential “waves” as evenly as possible. Providing this “safe ship” to ride out storms is extremely important to the reliable and safe operation of our instrument systems.
If we have to connect to another “ship,” we should use isolators or connect using non-electrical means, e.g. fiber-optics (like ships at sea communicating with each other via blinking signal lamps, sometimes called Aldis lamps).
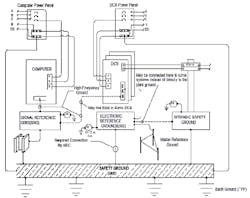
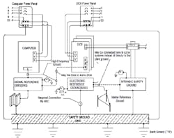
Another important concept in instrumentation grounding is that of a low-frequency, single-point ground, i.e. all ground references are connected to a common ground to minimize any potential differences on the DC side of our systems. These connections should not be daisy-chained and should provide a low-impedance path back to our DC ground. This ground should be connected to the power grounding grid at only one point. Selection of this point of connection should consider the power distribution system (how large ground faults might occur, and how they will return to their source; smaller leaks return using the same path), where the lightning protection system is connected to the grounding grid (not too close to the instrument connection), location of cathodic protection systems (generally, stay away from them), location of underground pipes (stay away), etc. Figures 8 and 9 show an example DCS grounding scheme and a ground grid (not to scale).
At higher frequencies, multipoint grounding systems are used because these systems will be grounded anyway through distributed capacitances, and it is better to separately ground them. Don’t confuse low-frequency grounding requirements with higher-frequency ones.
Before we leave this topic, we should address ungrounded systems. NEC Article 250 addresses which AC systems must be grounded. Instrument systems that are powered typically by 12-28 VDC systems are not addressed. People do often use ungrounded systems for DC instrument loops where they have an isolated DC power supply or four-wire instrument loop. These loops will function this way and there are applications where this may be necessary.
There are, however, some potential pitfalls to having such loops:
- The loop is not referenced to the rest of the instrument system.
- If it becomes inadvertently grounded at an undefined point, this may affect the operation of the loop in a negative way.
- It may not be apparent to an instrument technician that this loop is different from other loops and they may not understand why their voltage readings are not correct.
- If the loop inadvertently come into contact with a higher voltage, e.g. 120 VAC, the instrument technician may be in for a rude surprise, or even a fatal one.
Do I connect my shields to ground at one end or both?
This question has a life of its own and seems come up time and time again. Shielding is a complex subject that can be very application-dependent. This discussion is primarily directed at shielding in petrochemical plants.
The purpose of shielding is to keep noise in or to keep noise out of a circuit, more toward the latter than the former. Noise can be defined as any unwanted electrical signal in a circuit, while interference is noise that has a detrimental influence on the circuit. To understand shielding and the related question of grounding shields, we must understand how noise gets into a circuit. Noise can also be generated internal to the circuit, in which case, shielding is not much help except to keep it from getting out of the circuit.
There are four basic means that noise is coupled into a circuit: capacitively, inductively, radiated and conducted. The frequency of the noise and the operating frequency of the circuit must be considered. Most instrumentation measurement and control circuits operate at low frequency (< 100 Kbits/s) or at DC, while most communication circuits operate at high frequency (> 1 Mhz). This typically results in different shield grounding methods for low frequency (grounded at one end) than at high frequency (grounded in multiple places). Here, we discuss low-frequency grounding.
We shield against this type of noise coupling by placing a grounded shield (at the system reference potential) between the noise source and the receptor circuit to provide a conductor for the distributed capacitances to connect to rather than the signal conductors. This normally takes the form of a thin, aluminum-coated Mylar film with a drain wire running the length of the shield around the protected wires (Figure 11) Any noise capacitively coupled to the shield is returned to the source via the shield ground connection. If the shield impedance is zero, the noise does not couple to the protected signal wires since it has been intercepted by the shield at zero potential relative to the signal wire reference.
The shield continuity is maintained through any marshalling and field junction boxes out to the field device, where the shield is folded back and taped or heat-shrinked. The only common exception is grounded thermocouples, whose shields are commonly grounded at the thermocouple head or the field junction box closest to it.
The reason we ground at one end is that our field devices can be a long distance from the receiving element and try as hard as we can, we will still have differences in ground potential. If we connect at both ends, we can have circulating currents in our shields. This can be particularly detrimental during ground disturbances.
Some keys here are to make sure you do a good job of terminating the shield in the field so it can’t come into contact with ground or something that is grounded; run your shields as close as you can to any termination points; and keep your exposed drain wires as short as possible.
If the cable is contained in the same building and both ends share a common equipotential plane, you may be able get away with grounding the shield at both ends, but it is a last resort for process instrumentation systems. It’s commonly done to get rid of hum in audio systems, however, they typically meet the above-mentioned limitations. And bear in mind, though it’s not grounding, twisted-pair is an effective means of reducing magnetically coupled noise, as is differential inputs in 4-20 mA circuits.
In summary, the correct practice is to ground your shields at one end, at the zero-potential reference point of the circuit.
Radiated noise: Radiated noise protection isn’t generally about grounding since it is a function of reflection and absorption, which do not require grounding to work. Radiated noise can be picked up by “antennas” in the construction of the equipment that are “tuned” to the radiated noise wavelength. Once in a circuit, this noise behaves like conducted noise. It is good practice to specifically ground your field junction boxes. “Noise Reduction Techniques in Electronic Systems” by Henry W. Ott has a good discussion on this.
Conducted noise: Conducted noise is noise that has gotten into a circuit by various means and has been successfully conducted past its entry point. Often, this type of noise is filtered out by means that include shunting the noise through ground back to its source. A good ground system is a key to doing this successfully.
Conclusions
The basic principles of a good instrument system can be summed up as:
- A well designed and maintained plant ground grid is priceless. Follow the standards.
- A well designed grounding and bonding system is key to reliable operation of your instrument system.
- Follow your control or instrument system manufacturer’s recommended ground resistance where possible. In lieu of such a recommendation, as a minimum, keep your instrument ground resistance to less than 5 ohms where possible.
- Connect your DC instrument systems to a single point ground, and connect this ground to the plant ground grid at only one point.
- Inspect, test and maintain your ground systems.
- Connect your shields at only one end.
About the author:
Frequent contributor William (Bill) L. Mostia, Jr., P.E., fellow, SIS-Tech Solutions, can be reached at [email protected].
References:
- NFPA 70 (NEC), “National Electric Code,” National Fire Protection Association, 1 Batterymarch Park, Quincy, MA, www.nfpa.org
- IEC 60364, Electrical Installations for Buildings, Part 5, Section 54, International Electrotechnical Commission, Geneva 20 – Switzerland, www.iec.ch
- IEEE 142 Std. – IEEE Recommended Practice for Grounding of Industrial and Commercial Power Systems (commonly called the Green Book), Institute of Electrical and Electronic Engineers, New York, NY, www.ieee.org
- IEEE Std. 80 - IEEE guide for safety in AC substation grounding,” Institute of Rev. 1 - 7-15-13 Electrical and Electronic Engineers, New York, NY, www.ieee.org
- NFPA 780 – “Standard for the Installation of Lightning Protection Systems,” National Fire Protection Association, 1 Batterymarch Park, Quincy, MA.
- API 2003 – “Protection Against Ignitions Arising out of Static, Lightning, and Stray Currents ,“ American Petroleum Institute, Washington, DC, www.api.org
- IBM Power7 Information – “Static electricity and floor resistance,” IBM Corp.
- ISA RP 12.06.01, “Recommended Practice for Wiring Methods for Hazardous (Classified) Locations Instrumentation Part 1: Intrinsic Safety,” International Society of Automation, Research Triangle, NC.
- “All you ever Wanted to know about lighting,” http://www.coursealert.com/22.html
- The Lightning Discharge, Martin A. Uman, Dover, 1987
- IEEE std.1100, “Recommended Practice for Powering and Grounding Electronic Equipment,” (commonly called the Emerald Book). Institute of Electrical and Electronic Engineers, New York, NY, www.ieee.org
- “Integrated Production Control System CENTUM VP System Overview (Vnet/IP Edition),” Yokogawa Electric Corporation, GS 33K01A10-50E GS, pg. 17, 2011.
- “Site Design and Preparation for DeltaV_ Digital Automation Systems,” D800015X052, pg. 4-7, Emerson, September 2005.
- “Data Hiway Planning,” DH02-501, Pg. 103, Honeywell, 9/95.
- “STANDARDS AND GUIDELINES FOR COMMUNICATION SITES,” 68P81089E50-B, Motorola, Pg. 4-47
- Soars Book on Grounding and Bonding, 9th Edition, International Association of Electrical Inspectors, Richardson, Tx, 2004.
- Electrical Instruments in Hazardous Locations, 4th Ed., Earnest Magison, ISA, 1998.
- “Notes on Substation Grounding,” Jeff Jowett, Megger
- “A practical guide to earth resistance testing,” Megger, http://www.megger.com/us/story/Index.php?ID=146
- Grounding “Principles, testing methods and applications,” Fluke Corporation, http://support.fluke.com/find-sales/Download/Asset/2633834_6115_ENG_A_W.PDF
- “Understanding Ground Resistance Testing,” Aemc, http://www.aemc.com/techinfo/techworkbooks/ground_resistance_testers/950-WKBKGROUND-WEB.pdf
- Grounding and Shielding Techniques in Instrumentation, 3rd Ed, Ralph Morrison, Wiley-Interscience, New York, NY,1986.
- Noise Reduction Techniques in Electronic Systems, 2nd Ed., Henry Ott, Wiley Interscience,New York, NY,1988.
- Grounding and Shielding in Facilities, Ralph Morrison & Warren H. Lewis, Wiley-Interscience, New York, NY, 1990.
- Grounding and Bonding, Volume 2, Michael Mardiguian, Interference Control Technologies, Inc., Grainesville, Va, 1988.
- Practical Grounding, Bonding, Shielding, and Surge Protection. G. Vijayaraghavan, Mark Brown, & Malcolm Barnes, Elsevier, Burlington, Ma, 2004.
- ANSI/ISA-60079-11 (12.02.01)-2011, “Explosive Atmospheres – Part 11: Equipment protection by intrinsic safety “I”, International Society of Automation, Research Triangle, NC.
About the Author
William L.
Jr.

Leaders relevant to this article:












