Economic Controls; Cooling Tower Optimization
Maris Graube
[email protected]
A: Some years ago I gave a talk at Harward University on how the principles of process control can be applied to non-industrial processes. At that time I discussed the economy as one of these processes. I would not be surprised if Dr. Keen heard that talk or read about it.
The dynamics of the economy can be determined (it's time constants, inertia, gain, interactions, etc.), on the basis of it's past responses to economic upsets. One can view the control of the economy as that of a multivariable control loop, which ultimately controls the speed of money circulation. Modeling the behavior of such a loop can show that neither the printing of money for bail outs, nor austerity to reduce spending, can increase this speed. The printing of money only lowers the value of the currency, but does not increase its velocity of circulation, while austerity reduces money circulation by reducing spending.
What increases the speed of money-circulation is increased demand for goods. It is this demand that the "economy controller" must increase by opening the fuel control valves of the economy. Once these valves (the pockets of individuals and corporations) start opening, the spending increases the demand for goods and the circulation of money speeds up.
In the past, governments artificially increased the demand for goods by such projects as the rebuilding of Europe (Marshall Plan). Today, a "global Marshall Plan" seems to be needed to increase the global demand for goods. The Marshall Plan of the 21st century could be the global conversion to a renewable energy economy.
At Harvard, one of the questioners asked how I would configure a safety control loop to prevent the reoccurrence of the debt crisis? In my answer I noted that the laws of heat and material balance also apply to banks. Just as in a chemical reactor, we can not increase production beyond the amount of coolant available to remove the reaction heat, similarly, a bank can not loan out more money that the deposits it has. I know that if in the audience there were some representatives of the banking industry, they did not like to hear this, but from a process control perspective it is obvious that you can not lend what you do not have!
Béla Lipták
Q: I'm working on the conceptual design of cooling tower fan VFD controls by using temperature measurements in the cooling tower basin to control 6 fans:
- Would it be possible to control the VFDs of the individual fans using a common temperature measurement on the cooling water outflow channel? How could load sharing between the fan VFDs be accomplished in such a scenario?
- How could changes in ambient temperature, seasonal changes in humidity etc.be accounted for automatically?
Nishanth N
[email protected]
A: If all the fans have VFD and the energy involved is worth the cost, I would suggest that the control system should drive each running fan towards the point of maximum efficiency by stopping or starting other fans.
If the flow from the cooling towers returns to the basin mixed in one pipe, I would be tempted to measure the temperature of the water flowing into the basin in order to detect the impact of a sudden change in the weather. If that condition does not exist, I would measure the temperature near the inlet point.
Cullen Langford, PE
[email protected]
A: I recommend using a digital network to drive the VFDs. You will probably want to use a PLC to do the PID loop control. Bring the cooling water temperature into the PLC via an analog input point. The output of the PID should be sent to each of the 6 VFD speed control setpoint. The VFD must be configured to accept the PID output as a speed setpoint. Each VFD is a node on the network, so the same output should be sent to all 6 VFDs at the same time. Which digital network depends upon the networks supported by the VFDs and the PLCs; they must be the same. For example, if Rockwell Automation drives are used then the network should be EtherNet/IP. If Siemens VFDs are used, then the network should be PROFIBUS or PROFINET; and the PLCs can be either Siemens or Schneider.
It would also be possible to use a 4-20 mA output from the PLC and route that to all 6 VFDs at their analog input port configured to be the speed setpoint for the drives. The resistance of all 6 drives on the same analog output may exceed the allowed circuit loading for the PLC AO point, so some creative distribution of more than one AO and repeating may be necessary in PLC logic.
Finally, it may be possible to do this control network without a PLC by using the PID capability of the VFD. In that case, the analog input of the VFD would be configured to be the PV of its internal PID. The PID setpoint would be entered at a command console of the HMI, and sent by digital network to the network port of all 6 VFDs, which have been configured to accept the network input as the VFD speed setpoint.
Richard H. Caro,
[email protected]
A: DCS can do this work. On a common temperature control can have load sharing configuration done on DCS. Configure sequence selection buttons and bias option. Also include available and unavailable options in configuration. Since our aim is to control the measured temperature, I am not sure why ambient temperature and humidity should be taken into account.
H S Gambhir,
[email protected]
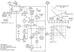
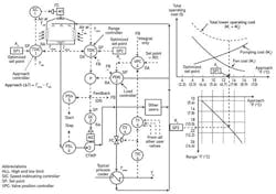
A: This is the perfect question for me, because for some five years, my job, as the energy consultant to IBM's Real Estate and Construction Division, my job was to minimize the energy consumption of all heating, cooling, pumping and HVAC systems. In Figure 1 below, I show the total optimized cooling system, which we settled on. On a yearly basis, it cut the total cost of cooling in half, it was quite a success. Naturally, the fan drives were VFD (SC-1) and the optimized set point (SP-1) was the minimum of the operating cost curve. You will find a detailed description in Chapter 8.17 of the 2nd volume of my handbook.
Béla Lipták


