Distillation control and optimization, Part 1
Distillation is a common, energy-intensive separationĀ method, but its control technology hasnĀt changed much since the 19th century. The thermal energy needs of distillation are enormous, while the thermodynamic efficiency of its processes is less than 10%, so serious savings can be gained by better controlling and optimizing it. Here and in the January and March 2007 issues, IĀll describe the distillation process and PID-based controls, review optimization strategies, and show that advanced controls can cut operating costs of distillation by more than one third.
Composition Control
Conceptually, product quality is determined by the heat balance of the distillation column. Heat removal determines the internal reflux flow rate, while heat addition determines the internal vapor rate. These determine the circulation rate, which determines separation between two components. The first task in configuring a columnĀs control system is to configure the primary composition control loops.
Composition Control Using Analyzers
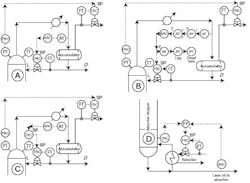
Analyzer controllers in a feedback configuration can only be considered when the dead time caused by analysis update is less than the response time of the process. The composition controller provides a feedback correction in response to feed composition changes, pressure variations or changes in tower efficiencies. In Part A of Figure 1 below, the analyzer controller (ARC) uses the chromatographic measurement to manipulate the reflux flow by adjusting the set point to the reflux flow controller (RFC).
Smith Predictor
Controllability of the process is degraded by the dead time between measurement updates. In Part B of Figure 1, the Smith-predictor compensator provides a process model in terms of its time constant and dead time, and predicts what the analyzer measurement should be between analysis updates. The multiplier (AY), first order lag (AY) and dead time (AY) provide the required inputs to the calculation of the predicted analysis. This predicted response is subtracted from the actual measurement (AY+/-) to give a differential of the actual process from its own model. This delta is added to the model (AYā) without dead time to provide a modified pseudo-measurement to the analyzer controller.
Triple Cascade
The purpose of all cascade systems is to provide slave(s) that will correct for disturbances before they can upset the primary or master controller. Part C in Figure 1 illustrates a triple cascade loop, where a temperature controller is the slave of an analyzer controller, while the reflux flow is cascaded to temperature. Cascade loops will work only if the slave is faster than the master, which adjusts its set point. Therefore, in Part C, the time constants of the flow controller (FRC) must be much smaller than those of the TRC.
Selective Control
Part D illustrates a limit control configuration where the analyzer controller is overruled when the temperature reaches its high limit. The temperature controller is a constraint preventing the temperature from exceeding a limit at the bottom of an absorber stripper. Selective control configurations also require external feedback to protect them from reset windup. Part D shows a combination of selective and cascade systems.The master of the FRC is selected to be either the TRC or the ARC. The external reset (ER) signal is taken from the measurement of the slave controller (FRC).
[Editor's Note: Look for the complete ebook, Distillation Control and Optimization on ControlGlobal.com in January, 2007.]
| Ā About the Author |




