Spirax Sarco's PTF4 Pivotrol Pump
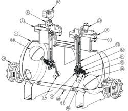
Spirax Sarco's PTF4 Pivotrol Pump is a high-capacity pressure powered condensate pump which covers a wider motive pressure range of up to 200 psig. The Pivotrol PTF4 pump is designed as a solution to reduce excessive maintenance and energy consumption common with high-capacity condensate pumps used in large commercial and industrial facilities. The PTF4, incorporates dual Pivotrol pumping mechanisms with PowerPivot technology and is backed by a three million cycles or three year warranty, with a Pivotrol Condensate Pump lifetime spring warranty.
